To Close This Window Click Here

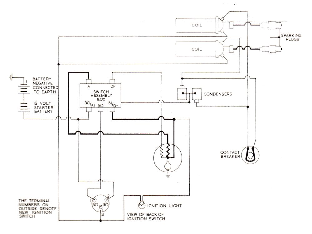
12S Wiring Diagram