To Close This Window Click Here

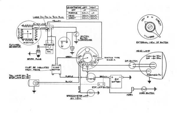
01H Wiring Diagram